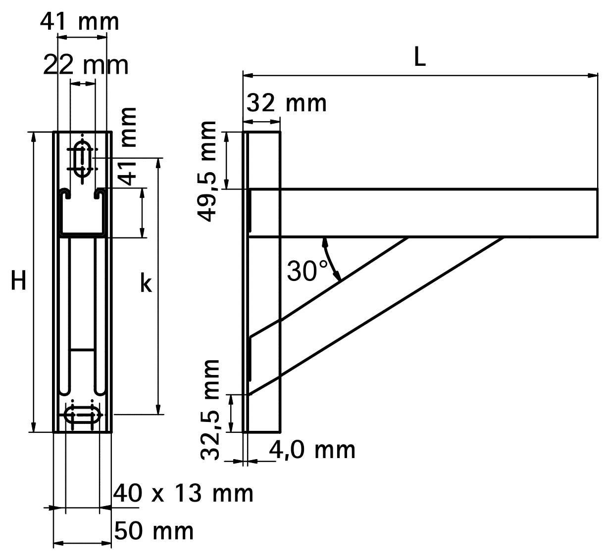
Caratteristiche tecniche
- Realizzata in acciaio 1.0332
- Zincata a caldo
- Con zanca saldata a CO2

GammaRange
AllegatiAttachments
GammaRange
Dati tecnici
Technical Data
| Codice | L [mm] | H [mm] | Profilo | k [mm] | Aggiungi alla WishlistAdd to Wishlist |
|---|---|---|---|---|---|
| 8694060 | 600 | 350 | 41 x 41 | 311,5 |
AggiungiAdd
|
AllegatiAttachments
1 allegato:
-
Scheda tecnica
112 KB

